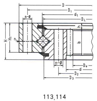
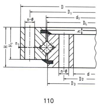
(11 series)Crossover rolling type |
|
CHARACTERISTIC OF STRUCTURE,PERFORMANCE AND APPLICATION |
![]() ![]() ![]() |
|
No. |
Basic Type |
Configuration |
Mounting Size |
sturctural size |
Gear Date |
Ext Gear |
Int gear |
Tangential Tooth load |
weight | ||||||||||||||||
|
Toothless |
Ext Toothless |
Int
Toothless |
D |
d |
H |
D1 |
D2 |
n |
F |
n1 |
D3 |
d1 |
H1 |
h |
b |
x |
m |
De |
Z |
De |
Z |
Nomalizhing |
Tempering | ||
|
1 |
110.25.500 |
111.25.500 |
113.25.500 |
602 |
398 |
75 |
566 |
434 |
20 |
18 |
4 |
498 |
502 |
65 |
10 |
60 |
+0.5 |
5 |
629 |
123 |
367 |
74 |
3.7 |
5.2 |
80 |
|
112.25.500 |
114.25.500 |
6 |
628.8 |
102 |
368.4 |
62 |
4.5 |
6.2 | |||||||||||||||||
|
2 |
110.25.560 |
111.25.560 |
113.25.560 |
662 |
458 |
75 |
626 |
494 |
20 |
18 |
4 |
558 |
562 |
65 |
10 |
60 |
+0.5 |
5 |
689 |
135 |
427 |
86 |
3.7 |
5.2 |
90 |
|
112.25.560 |
114.25.560 |
6 |
688.8 |
112 |
428.4 |
72 |
4.5 |
6.2 | |||||||||||||||||
|
3 |
110.25.630 |
111.25.630 |
113.25.630 |
732 |
528 |
75 |
696 |
564 |
24 |
18 |
4 |
628 |
632 |
65 |
10 |
60 |
+0.5 |
6 |
772.8 |
126 |
494.4 |
83 |
4.5 |
6.2 |
100 |
|
112.25.630 |
114.25.630 |
8 |
774.4 |
94 |
491.2 |
62 |
6.0 |
8.3 | |||||||||||||||||
|
4 |
110.25.710 |
111.25.710 |
113.25.710 |
812 |
608 |
75 |
776 |
644 |
24 |
18 |
4 |
708 |
712 |
65 |
10 |
60 |
+0.5 |
6 |
850.8 |
139 |
572.4 |
96 |
4.5 |
6.2 |
110 |
|
112.25.710 |
114.25.710 |
8 |
854.4 |
104 |
571.2 |
72 |
6.0 |
8.3 | |||||||||||||||||
|
5 |
110.28.800 |
111.28.800 |
113.28.800 |
922 |
678 |
82 |
878 |
722 |
30 |
22 |
6 |
798 |
802 |
72 |
10 |
65 |
+0.5 |
8 |
966.4 |
118 |
635.2 |
80 |
6.5 |
9.1 |
170 |
|
112.28.800 |
114.28.800 |
10 |
968 |
94 |
634 |
64 |
8.1 |
11.4 | |||||||||||||||||
|
6 |
110.28.900 |
111.28.900 |
113.28.900 |
1022 |
778 |
82 |
978 |
822 |
30 |
22 |
6 |
898 |
902 |
72 |
10 |
65 |
+0.5 |
8 |
1062.4 |
130 |
739.2 |
93 |
6.5 |
9.1 |
190 |
|
112.28.900 |
114.28.900 |
10 |
1068 |
104 |
734 |
74 |
8.1 |
11.4 | |||||||||||||||||
|
7 |
110.28.1000 |
111.28.1000 |
113.28.1000 |
1122 |
878 |
82 |
1078 |
922 |
36 |
22 |
6 |
998 |
1002 |
72 |
10 |
65 |
+0.5 |
10 |
1118 |
116 |
824 |
83 |
8.1 |
11.4 |
210 |
|
112.28.1000 |
114.28.1000 |
12 |
1185.6 |
96 |
820.8 |
69 |
9.7 |
13.6 | |||||||||||||||||
|
8 |
110.28.1120 |
111.28.1120 |
113.28.1120 |
1242 |
988 |
82 |
1198 |
1042 |
36 |
22 |
6 |
1118 |
1122 |
72 |
10 |
65 |
+0.5 |
10 |
1298 |
127 |
944 |
95 |
8.1 |
11.4 |
230 |
|
112.28.1120 |
114.28.1120 |
12 |
1305.6 |
106 |
940.8 |
79 |
9.7 |
13.6 | |||||||||||||||||
|
9 |
110.32.1250 |
111.32.1250 |
13.32.1250 |
1390 |
1110 |
91 |
1337 |
1163 |
40 |
26 |
5 |
1248 |
1252 |
81 |
10 |
75 |
+0.5 |
12 |
1449.6 |
118 |
1048.8 |
88 |
11.3 |
15.7 |
350 |
|
112.32.1250 |
114.32.1250 |
14 |
1453.2 |
101 |
1041.6 |
75 |
13.2 |
18.2 | |||||||||||||||||
|
10 |
110.32.1400 |
111.32.1400 |
113.32.1400 |
1540 |
1260 |
91 |
1487 |
1313 |
40 |
26 |
5 |
1398 |
1402 |
81 |
10 |
75 |
+0.5 |
12 |
1605.6 |
131 |
1192.8 |
100 |
11.3 |
15.7 |
400 |
|
112.32.1400 |
114.32.1400 |
14 |
1607.2 |
112 |
1195.6 |
86 |
13.2 |
18.2 | |||||||||||||||||
|
11 |
110.32.1600 |
111.32.1600 |
113.32.1600 |
1740 |
1460 |
91 |
1678 |
1513 |
45 |
26 |
5 |
1598 |
1602 |
81 |
10 |
75 |
+0.5 |
14 |
1817.2 |
127 |
1391.6 |
100 |
13.2 |
18.2 |
440 |
|
112.32.1600 |
114.32.1600 |
16 |
1820.8 |
111 |
1382.4 |
87 |
15.1 |
22.4 | |||||||||||||||||
|
12 |
110.32.1800 |
111.32.1800 |
113.32.1800 |
1940 |
1660 |
91 |
1887 |
1713 |
45 |
26 |
5 |
1798 |
1802 |
81 |
10 |
75 |
+0.5 |
14 |
2013.2 |
141 |
1573.6 |
113 |
13.2 |
18.2 |
500 |
|
112.32.1800 |
114.32.1800 |
16 |
2012.8 |
123 |
1574.4 |
99 |
15.1 |
22.4 | |||||||||||||||||
|
13 |
110.40.2000 |
111.40.2000 |
113.40.2000 |
2178 |
1825 |
112 |
2110 |
1891 |
48 |
33 |
8 |
1997 |
2003 |
100 |
12 |
90 |
+0.5 |
16 |
2268.8 |
139 |
1734.4 |
109 |
18.1 |
25.0 |
900 |
|
112.40.2000 |
114.40.2000 |
18 |
2264.4 |
123 |
1735.2 |
97 |
20.3 |
28.1 | |||||||||||||||||
|
14 |
110.40.2240 |
111.40.2240 |
113.40.2240 |
2418 |
2065 |
112 |
2350 |
2131 |
48 |
33 |
8 |
2237 |
2243 |
100 |
12 |
90 |
+0.5 |
16 |
2492.8 |
153 |
1990.4 |
125 |
18.1 |
25.0 |
1000 |
|
112.40.2240 |
114.40.2240 |
18 |
2498.4 |
136 |
1987.2 |
111 |
20.3 |
28.1 | |||||||||||||||||
|
15 |
110.40.2500 |
111.40.2500 |
113.40.2500 |
2678 |
2325 |
112 |
2610 |
2391 |
56 |
33 |
8 |
2497 |
2503 |
100 |
12 |
90 |
+0.5 |
18 |
2768.4 |
151 |
2239.2 |
125 |
20.3 |
28.1 |
1100 |
|
112.40.2500 |
114.40.2500 |
20 |
2776 |
136 |
2228 |
112 |
22.6 |
31.3 | |||||||||||||||||
|
16 |
110.40.2800 |
111.40.2800 |
113.40.2800 |
2978 |
2625 |
112 |
2910 |
2691 |
56 |
33 |
8 |
2797 |
2803 |
100 |
12 |
90 |
+0.5 |
18 |
3074.4 |
168 |
2527.2 |
141 |
20.3 |
28.1 |
1250 |
|
112.40.2800 |
114.40.2800 |
20 |
3076 |
151 |
2528 |
127 |
22.6 |
31.3 | |||||||||||||||||